Optimizing the billing cycle

April 2025 - Ongoing

Enterprise UX | Process Visualization | Change Management | Stakeholder Engagement

Context & Challenge

The invoicing process for inpatient accounts spans over more than ten departments, with requirements varying depending on the service provided, the insurance company, and the clinic where care was delivered. The complexity, lack of standardization, and unclear ownership across departments created frequent delays, rework, and inefficiencies.

My Role & Responsibilities

• Engage stakeholders across departments to understand processes and co-create solutions.
• Facilitate discussions to align perspectives and foster accountability.
• Lead UX design of the digital tool: map workflows, define user journeys, and create and test prototypes.
• Collaborate with the Product Designer to translate UX decisions into clear interfaces.


Image 1: Prioritization Workshop

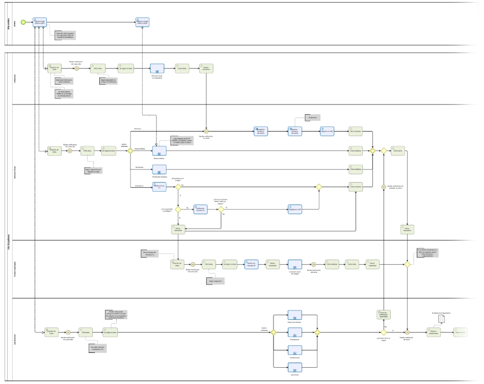
Image 2: To-be workflow (Segment)

Objective

Develop a tool to track responsibility for each account, centralize communication, monitor timelines, and identify root causes of delays. The ultimate goal is to provide managers with the visibility needed to optimize processes and reduce bottlenecks.


Image 3: Flow between users from two different departments

Image 4: Example of high-level workflow between multiple areas

Approach & Key Actions

• Conduct process mapping workshops with each department to uncover workflows, dependencies, and pain points.
• Identify systemic gaps, such as undefined responsibilities and process steps prone to escalation.
• Facilitate cross-team discussions to foster accountability and propose improvements in their current processes.
• Advocated for an MVP approach, working to drive adoption despite initial resistance by emphasizing incremental value.



Video 1: Figma Protoype: Process for referring accounts
Image 5: Account-blocking scenario (example)

Impact & Results (EXPECTED)

• Increased visibility into task ownership, process status, and the time each department spends on tasks—data that was previously untracked.
• Create a shared language and greater accountability between teams, reducing blame-shifting.
• Provide managers with actionable insights on delay causes, enabling early intervention.
• Establish groundwork for continuous improvement in billing cycle efficiency.